Hans Martins Bastelseiten

Ein Labornetzteil 24 V, 4 A
mit speziellen Fähigkeiten

Letzte Aktualisierung: 22.6.2022

Zurück zur vorigen Seite

Dieses stabilisierte Netzgerät für mein Labor habe ich schon vor über 30 Jahren gebaut. Es hat folgende besonderen Eigenschaften:

  • 1 bis 24 Volt, 4 A stabilisierte Gleichspannung
  • Einstellbare Strombegrenzung 0,5 bis 4 A
  • Innenwiderstand 10 mΩ (bei 10 V)
  • Analog-Eingang vorhanden: die Ausgangsspannung ist proportional steuerbar
  • Über den analogen Eingang lassen sich sogar stark induktiver Verbraucher wie z.B. Elektromagnete mit bis zu 3 kHz Arbeitsfrequenz bei voller Leistung ansteuern
  • Parallelschaltung mit anderen Spannungsquellen möglich
  • Die Begrenzung des Ausgangsstrom setzt mit einer Zeitverzögerung von ca. 2 Millisekunden ein, um auch kapazitive Verbraucher mit konstanter Spannung versorgen zu können
  • Eine analoge 8-polige Schnittstelle zum Anschluß weiterer Steuermodule
  • Wechselspannungsausgang 6-12-16-20-24 Volt
  • Man kann die Trafospannung, die den Stabilisator speist, von 24 auf 16 V herunterschalten. Dadurch kann die Wärmeentwicklung der Längstransistoren reduziert werden.

Frontansicht

Das Netzgerät war damals für seine Leistung schon recht kompakt. Höhe: knapp 26 cm. Ich hatte es oft bei Industriemessen und Präsentationen im Gepäck. "Nur" 3,5 kg mehr in der Tasche.

Der Schaltplan


Der Schaltplan. Die Transistorbestückung ist nicht weiter kritisch. Hauptsachhe pnp und npn stimmen. Zum Vergrößern mit der rechten Maustaste anklicken und View Image wählen.

Die Kühlung

Zwei 2N3055 auf einem dicken Kühlkörper können auch schwierige Verbraucher zufriedenstellen.

Wozu so ein selbstgebautes Netzgerät, werden Sie fragen ? Gute Netzgeräte gab es immer schon günstig zu kaufen. Aber keines, das sich analog vom PC über einen AD-Wandler steuern läßt. Und dazu noch in Millisekunden gehorcht. Und das auch dann, wenn ein dicker Elektromagnet mit viel Induktivität am Ausgang hängt.


Das Kennlinienfeld mit dem Arbeitsbereich.

Mechanischer Aufbau im Innern


Innenansicht: Die Plexiglas-Frontplatte mit zwei Dreheiseninstrumenten und der Anzeigelampe für die Strombegrenzung.

Neulich musste ich es auseinanderbauen und die alten Ladeelkos tauschen. Gegen einen viel besseren und kleineren mit mehr Kapazität. Dabei habe ich die Fotos gemacht. Die Dreheisenmessinstrumente auf der Frontplatte sind eine Sache für sich. Das Voltmeter verbraucht fast 50 mA (!) allein zum Anzeigen. Dafür sind diese Teile aber auch extrem robust und für Gleich- und Wechselstrom gleichermaßen verwendbar.


Der Montageplan. Bei so engem Aufbau unverzichtbar.

Enge Montage


Brückengleichrichter mit Kühlkörper.


Diese umschaltbaren Leistungswiderstände dienen zur Messung des Ausgangsstroms für die automatische Strombegrenzung.


Das Gehäuse mit dem 100-VA-Netztrafo. Daneben noch ein winziger 12-V-Trafo für die Gewinnung der Referenzspannung.

Die Verlustleistungs-Aufnehmer

Die Schaltung der Längstransistoren und ihres Treibers. Die beiden 2N3055 werden sehr niederohmig über einen pnp-Leistungstransistor BD 244 angesteuert, um beim Abschalten eine kurze Freiwerdezeit zu erreichen. Das verhindert ein kurzzeitiges Hochschnellen der Ausgangsspannung, wenn der Laststrom plötzlich abgeschaltet wird.
Diese Schaltung toleriert es auch, wenn der Ausgang des Netzgeräts an einer externen positiven Spannung liegt.
Der BD 244 ist keineswegs überdimensioniert. Er vermag die beiden 2N3055 auch bei sehr hohen Strömen voll auszusteuern. Das ist wichtig, denn das Gerät kann für 2 Millisekunden bis zu 20 A Strom abgeben, bevor es in die Strombegrenzung geht. Solche "Peaks" sind nicht selten, wenn man Elektromotore oder digitale Leistungselektronik betreibt. In der digitalen Welt ist eine Millisekunde eine Ewigkeit. Da reden wir über Mikro- und Nanosekunden. Jenseits von 10 A Kollektorstrom braucht der 2N3055 auch an der Basis ein ganzes Ampere.

Steuerelektronik

Die Stabilisatorschaltung beruht auf einem ganz gewöhnlichen Differentialverstärker aus drei npn-Siliziumtransistoren der Typen BC 107 oder BC 237. Das war damals die Standardbestückung. Das Poti in der Basisleitung des BC 107 ist der Spannungsregler. Wenn man extern die Sapnnung über die Analogschnittstelle steuern möchte, dann zieht man die Referenzspannung über den Germaniumtransistor AC 122 einfach nach unten, der in Kollektorschaltung arbeitet.
Wichtig ist die in Sperrrichtung geschaltete Freilaufdiode BY 135 am Ausgang. Sie übernimmt den Strom einer induktiven Last, wenn man die Spannung an der Analogschnittstelle schnell herunterregelt.

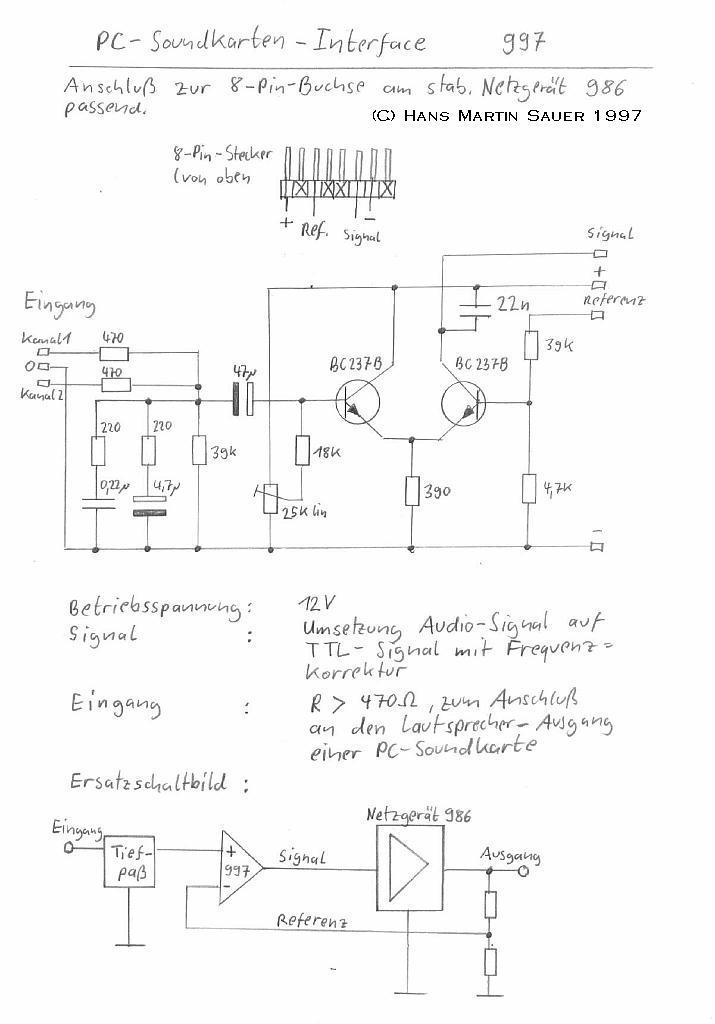
Ein Zusatzmodul

Das "Party-Modul": die Spannung kann man auch über den Line-Ausgang der Soundkarte eines PCs steuern. Es ist ein einfacher Differenzverstärker mit zwei Si-Transistoren. Die Stereokanäle des Soundkartenausgangs werden zusammengeführt. Die RC-Glieder am Eingang schwächen hohe Frequenzen jenseits 2 kHz. Das Modul ermöglicht es, die Gleichspannung, die das Netzgerät normalerweise liefert, mit beliebigen Wechselspannungen zu modulieren.

Noch ein Zusatzmodul

Ein Sägezahngenerator, der als Zusatzmdul über die Analogschnittstelle angeschlossen werden kann. Ein NE555 erzeugt Spannungsrampen variabler Frequenz. Der LF 357 skaliert und verschiebt die Rampen in den gewünschen Spannungsbereich. Damit kann das Netzgerät Spannungsrampen zur Steuerung von Elektromagneten erzeugen. Das wird zum Beispiel für Durchführung von Kernspin- und Elektronenspin-Resonanzmessungen benötigt, wo ein recht starkes, zeitlich veränderliches Magnetfeld benötigt wird. Eine Spezialität dieses Netzgeräts, die auch im Zyklotron-Experiment genutzt wird.

Anwendung

Hier die spezifische Anwendung, wozu ich das steuerbare Netzgerät brauchte: die kleine kupferfarbene Magnetspule im linken Bild rechts hat es in sich. Der Strom muss 10 Mal pro Sekunde von 0 auf 4 A hoch- und dann wieder heruntergefahren werden, damit man am Oszi ein statisches Bild des Magnetresonanz-Spektrum einer Mineralienprobe erhält (Bild rechts).

Zum Seitenanfang

Hans Martin Sauer, 2020

Hans Martin Sauer 2020