Hans Martins Bastelseiten

Wege ins Chaos, und wieder heraus !
- mit Röhren (aber nicht nur)

letzte Änderung: 24.1.2024

Zurück zur vorigen Seite

Inhalt:

7.2.16: Ordnung und Chaos - Die Grundschaltung mit EF 89
10.9.16: Wir bestimmen die Feigenbaum-Konstante
13.11.16: Eine numerische Simulation unseres Oszillators
18.9.19: Weitere Schaltungen - Chaotischer Oszillator mit Batterieröhre DF 67
26.1.20: Mit dem Transistor klappt es auch
7.4.21: PC 900: wie eine steile TV-Triode Chaos macht

Ordnung und Chaos...

...liegen in der Natur näher beiei­nander als man denkt. Das zeigt sich an dem einfachen Röhren-Oszil­lator rechts im Bild. Statt der einfachen Sinus­schwin­gung erzeugt er nach einer Reihe von Perioden­verviel­fachung immer komp­lexere Schwingungs­formen. Und schließ­lich wird die Schwingung chaotisch und völlig unvorher­sagbar.

Die Schaltung

zeigt einen einfachen Tongene­rator, der nach dem Meißner-Prinzip funktio­niert. Wesent­liche Bestand­teile sind eine Verstär­kerpen­tode vom Typ EF89 und der Trans­formator bezie­hungs­weise Tonfre­quenz­über­trager. Seine beiden Wick­lungen haben ein Überset­zungs­verhält­nis von etwa 1 zu 2,4. Die Induk­tivität L1 der Wick­lung im Gitter­strom­kreis ist gemein­sam mit den beiden in Serie geschal­teten Konden­satoren C1 und C2 für die Frequenz verant­wort­lich. Außerdem bilden sie einen Span­nungs­teiler, der die recht hohe Ampli­tude der Wechsel­spannung an L1, bis zu 100 Volt, auf 10 Volt für das Röhren­gitter herunter­setzt.

Die Schaltung ist auch mit anderen gängigen Radio­pento­den leicht nachzu­bauen. Ich habe den Trans­formator aus einem alten Kosmos XG Elek­tronik-Experi­mentier­bau­kasten verwendet. Aber natür­lich eignen sich auch andere Tonfre­quenz-Über­trager. Weiter unten sind dafür noch weitere Bei­spiele gezeigt.


Bericht und Video zum Experiment

Icon Attraktor Zum Video

Der Schalt­plan des Röhren­oszil­lators. Laden Sie den detail­lierten Bericht herun­ter. Hier zeige ich, wie man den Oszil­lator mit Hilfe der Kirch­hoff­schen Regeln, Knoten- und Maschen­regel, verstehen kann. Das Video zeigt das Experi­ment dazu.

Icon Spektrum

Im zweiten Teil des Berichts lesen Sie, wie es im Oszil­lator zur Perio­denver­dopplung kommt, weshalb sie ab einem gewissen Punkt plötz­lich und nur unter bestim­mten Bedin­gungen eintritt.

Periodenverdopplung

Hier ein Oszillogramm der Gitterspannung im regulären periodischen Betrieb. Die Frequenz beträgt etwa 800 Hz.

Periodenverdopplung: aufeinanderfolgende Wellenzüge verlaufen unterschiedlich. Das zeigt sich auch im Spektrum, das mein Digitaloszi dank seiner FFT-Funktion ebenfalls anzeigen kann. Im Spektrum des Oszillators erscheint bei halber Grundfrequenz eine weitere Spektrallinie.

Mein Versuchsaufbau. Der große schwarze Schiebewiderstand (ein Rheostat aus einem aufgelösten Physiklabor) dient zur Feineinstellung der Verstärkung.

Periodische und chaotische Schwingungen

Der Oszillator schwingt oder er schwingt nicht. Das behauptet zumindest die landläufige Bastler-Erfahrung. Doch das ist nicht alles. Ein solcher Oszillator kann noch viel mehr, nämlich völlig irregulär und chaotisch werden. Dies passiert, sobald man den Verstärkungsfaktor der Röhre über eine kritische Grenze hinaus erhöht. Es deutet sich in kleinen Schritten an, nämlich durch eine Folge von Periodenverdopplungen (siehe Abb. links). Wenn man den Widerstand im Kathodenstromkreis, der aus den beiden Potentiometern besteht, langsam kleiner macht, dann scheint es am Oszilloskop, dass die einzelnen Schwingungszüge plötzlich zu tanzen anfangen. Sie liegen abwechselnd etwas höher oder tiefer. Die Periode des Oszillators hat sich verdoppelt. Dreht man das Poti noch weiter, dann folgt eine Vervierfachung und so weiter. Ab einem bestimmten Punkt werden die Schwingungen vollkommen chaotisch: jeder einzelne Wellenzug verläuft anders. Es wird unmöglich vorherzusagen, nach wievielen Perioden sich das Signal wiederholt.

Trägt man im XY-Modus den Schwingkreisstrom IL gegen die Gitterspannung UG auf, dann zeichnet das Oszilloskop den Attraktor. Dieser beschreibt den Betriebszustand eindeutig.

Der periodische Attraktor: Zeichnet man im x/y-Modus den Schwingkreisstrom IL gegen die Gitterspannung UG auf, dann zeigt das Oszi einen leicht deformierten Kreis, der periodisch durchlaufen wird.

Periodenverdopplung: hier schließt der Attraktor erst nach zwei Zyklen.

4-fach-Zyklus

Nach zwei Periodenverdopplungen zeigt der Attraktor vier Schleifen.

Chaotische Schwingungen: der Strom- und Spannungsverlauf IL als Funktion von UG wiederholt sich erst nach unendlich vielen Zyklen, also nie!

Die Ursache des nichtlinearen Verhaltens

Ursache ist die nichtlineare Gitterstromkennlinie der Röhre. Der Gitterstrom steigt als Funktion der Gitter-Kathodenspannung Ugk exponentiell an:

Hierbei sind:

  • I0 der Gitterruhestrom, wenn Steuergitter und Kathode miteinander kurzgeschlossen sind
  • e ist die Elementarladung der Elektronen (1.602 10-19 As)
  • kB die Boltzmann-Konstante (1.381 10-23 J/K)
  • T die absolute Kathodentemperatur in Kelvin (hier etwa 1000 K).

Die Gleichung besagt, dass der Gitterstrom während der positiven Halbwelle einen Schwingung wächst. Dadurch baut sich eine zusätzliche negative Gleichspannung am Steuergitter auf. Das hat dann zur Folge, dass die Steilheit der Röhre kleiner wird und die Schwingungsamplitude des Oszillators in einer bestimmten Höhe sättigt. Dabei aber bleibt es nicht. Ab einem bestimmten Punkt ändert das gesamte rückgekoppelte System sein Verhalten: neben Vielfachen der Grundfrequenz erscheinen auch halbe, viertel, und rationale Bruchteile der Grundfrequenz, schließlich ein kontinuierliches Spektrum. Dies passiert in einem recht engen Parameterbereich.

Die nichtlineare Schwingungsgleichung

Mit ein wenig Praxis in den Kirchoffschen Regeln läßt sich die Differentialgleichung herleiten, die das Verhalten des Oszillators beschreibt. Das folgende gekoppelte Gleichungssystem beschreibt den Strom IL durch die Schwingkreisspule sowie die Gitterspannung UG der Röhre als Funktion der Zeit t, genaue jene Größen, die wir am Oszi aufzeichnen:

Schwingungs-Gleichungen
Lesen Sie näheres hier nach.

4-fach-Zyklus, FFT-Plot

Das Fourierspektrum nach zwei Verdopplungen. Neben der Grundfrequenz (Mitte, bei f0 = 3,1 kHz) zeigt das Spektrum Linien bei halbzahligen Frequenzen (1/2 f0 = 1,55 kHz und 3/2 f0 = 4,65 kHz) sowie schwächere Linien mit viertelzahligen Frequenzen bei 1/4, 3/4, 5/4 und 7/4 f0: 775, 2.325, 3.875 und 5.425 Hz.

Ein paar praktische Tips zu der Schaltung:

1. Wenn der Oszillator zu "pumpen" beginnt: Die Schwingungen reißen ab und setzen neu ein. Das Oszillogramm ist unruhig, doch das hat mit Chaos und Periodenvervielfachung nichts zu tun. Das Pumpen entsteht, wenn sich der Kondensator vor dem Steuergitter durch den Gitterstrom zu sehr auflädt. Die Röhre blockiert. Die Schwingungen setzen erst dann wieder ein, wenn die Ladung durch den Gittervorwiderstand wieder abgeflossen ist, bis zum nächsten Blockieren. Und so weiter. Wie wenn im Spülbecken der Abfluss verstopft ist. Abhilfe: Abfluss wieder frei machen, bzw. den Gitterwiderstand (47 kΩ) etwas verkleinern.
3. Eine stabilisierte Spannungsversorgung ist für dieses Experiment sehr hilfreich. Ich verwende deshalb dieses Netzgerät.

2. Habe auch die Röhrentypen EF 183 und EF 184 getestet, zumal diese mit der EF 89 nahezu idenische Anschlußbelegungen haben. Diese Röhren haben aber eine höhere Steilheit als die EF 89 und benötigen einen anderen Arbeitspunkt. Ich habe den Kathodenwiderstand auf 1,5 bis 1,8 Kiloohm und den Schirmgitterwiderstand auf 500 Kiloohm vergrößert. Der Anodenstrom ist dann etwa 0,9 mA bei 120 V Betriebsspannung. Bei diesen Spanngitterröhren entstanden z.T. jedoch intensive, sehr hochfrequente Barkhausen-Oszillationen, die die eigentlichen Tonfrequenzen überlagerten. Hier hat der Bastler noch Forschungsbedarf. Die EF 89 hat eine deutlich geringere Tendenz zu solchen Schwingungen, auch wenn sie ab und zu da sind. Siehe Video.
4. Trioden statt Pentoden eignen sich zu diesem Experiment ebenfalls. Ich habe Pentoden wegen ihres hohen Ausgangswiderstand bevorzugt, weil dies die Abschätzung der Schwingkreisdämpfung stark vereinfacht.


Natürlich lassen sich chaotische Phänomene auch mit Halbleiter-Oszillatoren demonstrieren. Ein schönes, leicht nachzubauendes Beispiel zeigt die Schaltung links im Bild, die eine litauische Forschergruppe vor einigen Jahren in einer Zeitschrift vorgestellt und genau dokumentiert hat.

10.9.16: Weitere Experimente mit dem chaotischen Oszillator: Messung der Feigenbaum-Konstanten
Zurück zum Anfang

Nach den ersten qualitativen Versuchen zu Periodenverdopplung und Chaos wollte ich dann mehr über das Thema wissen, das weitaus tiefere Bedeutung hat, als man zunächst vermuten würde. Man hat sehr überzeugende Hinweise darauf entdeckt, dass der Übergang von regulärem Verhalten ins Chaos auch in sehr unterschiedlichen dynamischen Systemen unter vergleichbaren Vorzeichen abläuft wie in unserem Oszillator. Das Verhalten eines gekoppelten mechanischen Pendels wie etwa diesem hier. Aber auch Strömungsinstabilitäten in Wasser- und Gasturbinen, die Entwicklung von Populationen von Raub- und Beutetieren in der freien Wildbahn, neuronale Erregungsmuster im menschlichen Gehirn oder Nervengewebe, die Migräne, Herzrhytmusstörungen oder epileptische Zustände auslösen können, scheinen ähnlichen Prinzipien zu folgen.

Ein wichtiges Maß hierbei ist der Abstand der einzelnen Parameterwerte, an denen eine weitere Periodenverdopplung eintritt. Man bezeichnete diese als Bifurkationen. Dieser Abstand bezieht sich auf die kritischen Werte des Kontrollparameters ε, den wir an unserem Oszillator ja leicht über die beiden Potis P1 und P2 einstellen können. Der Abstand zwischen zwei aufeinanderfolgenden Bifurkationen wird mit deren Anzahl, die der Oszillator auf seinem Weg ins Chaos durchschritten hat, immer kleiner, und zwar offenbar nach einem Exponentialgesetz. Den Faktor der Verkürzung dieses Abstandes bezeichnet man als Feigenbaum-Konstante, eine Zahl, die in verschiedensten Systemen immer gleich zu sein scheint.

Den Oszillator habe ich diesmal mit größter Sorgfalt aufgebaut, wobei ich alle Bauelemente mechanisch mit Klebeband fixiert und für alle Betriebsspannungen einschließlich der Röhrenheizung stabilisierte Spannungen verwendet habe. Der Grund ist folgender: zur Bestimmung der Feigenbaum-Konstante muss der Oszillator mindestens 3 klar unterscheidbare Bifurkationen durchlaufen. Das erfordert eine reproduzierbare Einstellbarkeit über zwei bis drei Größenordnungen bei den Potis wie auch der Röhrenverstärkung. Störfaktoren und Spannungsschwankungen müssen deshalb so weit wie möglich ausgeschlossen werden. Der Versuchsaufbau wurde mindestens 1 Stunde vor der Messung in Betrieb genommen, um eine mögliche thermische Drift während der Messung auszuschließen.

Neben dem schon bewährten Schiebewiderstand P2, der auf das Ohm genau einstellbar ist, habe ich für die Grobeinstung P1 ein 10-gängiges Präzisions-Spindelpotentiometer von 20 kΩ mit einem 100-teiligen Skalenrad verwendet. Die Widerstandänderungen beträgt also 20 Ohm pro Teilung. Reproduzierbares Einstellen mit einer relativen Genauigkeit von etwa 10 Ohm sind dadurch möglich. Mit dieser Anordnung konnte ich Bifurkationen bis zur 3. Ordnung identifizieren. Der Abstand zwischen zwei Bifurkationen liegt hier bei unter 1 Ohm.

Gemessene Abstände zwischen den Bifurkationen

Ordnung der Bifurkation

ΔR (Ohm)

Abstand vom Chaos-Übergang (Ohm)

Parameterabstand Δε vom Übergang zum Chaos

1

41,6 +/- 1,44

50,6 +/- 2,4

0,146

2

4,7 +/- 0,36

9,0 +/- 1,0

0,026

3

0,78 +/- 0,22

4,3 +/- 0,7

0,012

4

---

3,52 +/- 0,5

0,010

chaotisch

3,52 +/- 0,5

---

0

Die Betriebsspannung des Oszillators habe ich auf 150 V eingestellt, die Heizspannung war 6,43 Volt. Die gesuchten Bifurkationen habe ich mittels Digitaloszi (Tektronix TDS 220) im FFT-Spektralmodus identifiziert. An den betreffenden Poti-Einstellungen sieht man, dass im Spektrum des Oszillators neue Linien bei halb-, viertel-, achtelzahligen Vielfachen der Grundfrequenz aus dem Grundrauschen zu wachsen beginnen. Die entsprechenden Potieinstellungen habe ich in die obige Tabelle eingetragen. Es handelt sich um Mittelwerte von jeweils fünf unabhängigen Messungen.

Links im Bild habe ich das Ergebnis der Messreihe noch einmal grafisch zusammengestellt, wobei ich auch jeweils die Spektren vom Oszilloskop abfotografiert habe (eingefügte Bilder oben). Die zentrale Linie stellt die Grundfrequenz des Oszillators von 660 Hz dar (bei 100 Hz pro Teilung des Oszi-Bildschirms) Mit zunehmder Zahl der Bifurkationen entstehen zusätzliche weitere Linien (von rechts nach links), bis das Spektrum im chaotischen Bereich schießlich vollkommen "dicht" ist. Die Bifurkationen von vierter Ordnung waren nicht mehr eindeutig zu identifizieren, so dass die Messreihe hier abgebrochen wurde.

Ergebnis

Der Versuch veranschaulicht klar den Übergang von regulärer zu chaotischer Dynamik als eine Sequenz von Periodenverdopplungen, die bei stetig sich änderndem Kontrollparameter immer dichter aufeinander folgen. Wertet man nun die Verhältnisse zwischen den Abständen zweier Bifukationen aus, dann zeigen sich jedoch Abweichungen vom angenommenen Exponentialgesetz: Aus den ersten beiden Bifurkationen ergibt sich ΔR1/ΔR2 = 8,85. Dieser Wert ist zwar in der korrekten Größenordnung, doch von der Feigenbaum-Konstanten δ = 4,66920 noch um einiges entfernt. Allerdings ist dieser Wert ein Grenzwert, dem sich das Widerstandsverhältnis erst nach vielen Bifurkationen nähert. Aus der zweiten und dritten Bifurkation ergibt sich ΔR2/ΔR3 dagegen 6,03, was immerhin schon etwas besser ist.

Literatur und weitere Informationen zum Thema:

R. W. Leven, B. P. Koch, B. Pompe, Chaos in dissipativen Systemen, Akademie-Verlag Berlin 1989, ISBN 3-05-500488-4

Die Originalarbeit, in der die Feigenbaum-Konstante begründet wird:
M. J. Feigenbaum, The universal metric properties of nonlinear transformations, J. Stat. Physics, 21, 669 (1979)

Die Physik-am-Samstag-Website von S. Lück mit vielen Experimenten: Die Erforschung des Chaos.

22.9.16: Wir simulieren den chaotischen Oszillator numerisch

Eine Differentialgleichungen für den Oszillator ist ja ganz nett. Da sie zu kompliziert ist, dass man sie mit den üblichen Methoden von Hand lösen kann, habe ich es mit Simulation versucht. Der PC erledigt dann die Arbeit auf nummerischem Wege. Dazu empfiehlt es sich, die Gleichungen in ein System von Differentialgleichungen erster Ordnung umzuformen. Das Resultat ist rechts gezeigt. Ich habe dazu dimensionslose Variablen x, y und z. Die Variable x ist bis auf Vorfaktoren der Schwingkreisstrom IL, y die Zeitableitung des Stroms und z die Spannung UG am Steuergitter.

Zum Rechnen habe ich die Euler Math Toolbox verwendet, die man sich hier kostenlos herunterladen und installieren kann. Ich habe dafür ein entsprechendes Skript geschrieben (Box rechts unten), das die Gleichung mit dem Runge-Kutta-Verfahren über einen Zeitraum von 20 Schwingungsperioden integriert: τ geht von 0 bis 125.6 (das sind 40 π). Ferner ist

γ = 1.3 V-1 x 300 mV = 0.4.

Der Kernbestandteil ist der dreikomponentige Vektor [x,y,z]. Seine Zeitableitung ist laut Differentialgleichung eine Funktion des Vektors:

[dx/dt,dy/dt,dz/dt] = osc[t,x,y,z]

Die Euler-Funktion "runge" integriert nun in kleinen Zeitschritten von 0.002 Zeiteinheiten den Lösungsvektor, beginnend mit den Anfangsbedingungen x = 0.1, y = 0, z = 0 bei τ = 0. Nicht sehr kompliziert! Die Spannung am Steuergitter habe ich unten für verschiedene Werte von ε geplottet.

Euler-Skripte sind (sofern man den entsprechenden Modus aktiviert) mit der Mathematik-Software MATLAB weitgehend kompatibel.

Flussgleichungen
mit
Definitionen x,y,z
und
Definitionen p, q, gamma

.. Chaotischer Oszillator
.. H. M. Sauer, 15.9.2016
..
.. Elektrische Konstanten der Schaltung:
q:=0.1;
p:=2;
Tg:=5;
.. Dämpfungsparameter, nach Bedarf aendern:
eps:=-1.28;
.. Korrekturfaktor gamma der Röhrensteilheit:
gam:=0.4;
.. Skalierte Zeitachse:
t:=0:0.002:125.6;
.. Ab hier geht es los: zuerst Grafikfenster leeren ..
clg;
.. Das Gleichungssystem definieren:
.. hierbei ist x=g[1], y=g[2], z=g[3];
function osc(t,g):=[-g[2], (1+q)*g[1] - eps*(1+gam*g[3])*g[2] + p*exp(g[3]) + g[3]/Tg, -q*g[1] - p*exp(g[3]) - g[3]/Tg ];
.. Runge-Kutta-Solver aufrufen, um g[] zu berechnen,
.. Anfangswerte bei t=0: x=0.1, y=0, z=0 (ist beliebig,
.. aber nicht alle zugleich zu 0 setzen);
g=runge("osc",t,[0.1,0,0]);
.. x(t) bzw. g[1] im Grafikfenster gegen t plotten;
plot2d(t,g[1]);
.. Fertig !

reguläre Schwinguung
1. Für ε = −1.0 gerät der Oszil­lator nach der An­schwing­phase, die etwa 3 bis 4 Perio­den dauert, in regu­läre Schwing­ungen.

Periodenverdopplung
2. Eniedrigt man ε unter den Schwell­wert von −1.28, dann zeigt sich die erwar­tete Perioden­verdopp­lung. Hier das Schwingungs­bild bei −1.50, wo die Verdopp­lung schon weit ent­wickelt ist.

Periodenvervierfachung
3. Unterhalb der weiteren Schwelle von ε = −1.598 habe ich nach der Anschwing­phase die Ver­viel­fachung der Schwing­ungs­periode beo­bachtet. Der gezeigte Plot wurde bei −1.66 berechnet.

chaotische Schwingungen
4. Eine Veracht­fachung ergab sich dann bei ε-Werten unter −1.658. Bei etwa −1.70 wurden die Schwing­ungen dann chao­tisch. Das obige Dia­gramm wurde mit ε = −2.1 berechnet.

Schlussfolgerung:

Ich habe natürlich auch versucht, die Bifurkationspunkte aufzusuchen und die Feigenbaum-Konstante aus der Simulation zu bestimmen. Die Werte, die ich für die verschiedenen Konstanten angenommen habe, sind im oben gezeigten Euler-Skript eingetragen. An Hand der ε-Werte der ersten drei Bifurkationen habe ich damit einen Schätzwert δ1 = 5,3 für die Feigenbaum-Konstante erhalten. Die Ergebnisse zeigen, dass unsere Analyse des Oszillators zumindest qualitativ korrekt ist und die wesentlichen Merkmale des Übergangs vom regulären in den chaotischen Betriebszustand erfaßt.

18.9.2019: Weitere Schaltungen - Chaotischer Oszillator mit Batterieröhre DF67

DF67 DF67 im Detail DF67 mit Sockel

Lassen sich die Periodenverdopplungen und die chaotischen Schwingungen auch bei niedriger Betriebsspannung und mit Batterieröhren demonstrieren, wurde ich neulich gefragt? Im Prinzip geht das selbstverständlich. Dann habe ich mich aber doch an den Basteltisch gesetzt, weil ich wusste, dass ich seit Jahren eine Miniatur-Pentode DF67 in der Bastelkiste hatte. Das ist eine sehr kleine Stifftröhre mit Drahtanschlüssen, die vor Jahrzehnten als Mikrofonverstärker in Hörgeräten konzipiert wurde. Bisher hatte ich dafür noch keine rechte Verwendung gefunden, da die Leistungswerte sehr klein sind: maximale Anodenspannung: 45 V, maximaler Kathodenstrom: 75 µA. Dafür sind Heizspannung (0,625 V) und Heizstrom (13 mA) äußerst bescheiden. Ja, so ein Hörgerät muss mit der Batterie viele Stunden lang auskommen, sonst hilft es seinem Träger nicht. Die Steilheit der DF 67 wird im Datenblatt mit 0,1 mA/V angegeben. Wenig im Vergleich zur EF 89, die 4 mA/V bringt. Ob das reicht ? Man braucht ja für die Periodenverdopplung eine gewisse Mindestverstärkung. Um es kurz zu machen: ich war von dem kleinen Röhrchen begeistert! Sofort hatte ich Schwingungen, und, kaum dass die Betriebsspannung 15 Volt erreichte, gab es die erste Periodenverdopplung. Die Oszillatorschaltung ist wirklich sehr sehr simpel.

Hier die Schaltung und der Aufbau auf dem Steckbrett.

Schaltplan

Zur leichten Montage und zur Entlastung der filigranen Anschlussdrähte habe ich die Röhre sowie eine entsprechende fünfpolige Stiftleiste im 2,54-mm-Rastermass auf eine Lochrasterplatte gelötet. Um die Heizspannung von 0,625 V stets genau einstellen zu können, habe ich parallel zum Heizfaden eine Siliziumdiode (1N4007) eingelötet. Diese besitzt in Durchgangsrichtung eine stabile Schwellenspannung von 0,6 bis 0,7 V: genau richtig für den Heizfaden der Röhre. Zum Heizen klemme ich den mit der Diode gesicherten Heizfaden über einen Widerstand von 470 Ohm an eine Batterie oder an ein Gleichspannungs-Netzteil von 6 bis 10 Volt.

Steckbrett-Aufbau

Der kleine Rückkopplungstrafo mit der aufgedruckten Nummer RB-20113 ist ein Tonfrequenzübertrager aus einem japanischen Transistorradio der 1970er Jahre, dessen Fragmente ich ebenfalls in meiner Bastelkiste archiviert hatte. Toshiba oder Sanyo. Solche Teile, auch die Germaniumtransistoren und Ferritantennen, sollte man niemals wegwerfen, denn sie werden heute kaum mehr hergestellt und sind für den Elektronikbastler Gold wert. Damals ein Pfennigsartikel aus Massenproduktion, heute nur als horrend teure Spezialanfertigung zu bekommen. Das Windungsverhältnis des kaum 2 cm großen Trafos zwischen Anoden- und Gitterspule ist 2:1. Zur Schaltung selbst muss ich, glaube ich, nichts mehr sagen.

Wenn man die Heizspannung anlegt und die Betriebsspannung (aus dem Netzgerät) langsam von Null hochdreht, dann setzen bei mir die Schwingungen bei ungefähr 10 Volt ein. Die Frequenz liegt bei 15 kHz. Im Bereich zwischen 14 und 15 Volt zeigen sich dann die gewünschten chaotischen Effekte. Dreht man die Spannung noch höher, dann arbeitet der Oszillator als einfacher Sperrschwinger, ohne chaostechnisch interessante Effekte.

Verdoppelte Periode Dieser Attraktor (Gitterstrom vs. Anodenspannung im XY-Modus des Oszis) zeigt die erste Periodenverdopplung, bei 14,74 Volt. Bei 14,99 Volt tratt die Vervierfachung auf, bei 15,14 V die Verachtfachung.
Verdreifachte Periode Auch eine Verdreifachung konnte ich erreichen. Wie geht das denn? Im Spannungsbereich, wo die Schwingungen schon chaotisch sind, fand ich eine "Insel der Regularität" mit diesem interessanten Phänomen. Die war aber sehr schmal, und es bedurfte echtes Fingerspitzengefühl am Spannungsregler.
Chaotische Schwingungen Und zum Schluss ein chaotischer Attraktor.

Zurück zum Anfang

26.1.2020: Chaotischer Oszillator: mit dem Transistor klappt es auch

Es wäre natürlich unlogisch gewesen zu vermuten, dass ich diese Frage nicht irgend­wann unter­suchen würde. Die klare Antwort: es geht! Doch das war ein langes Stück Arbeit, länger als erwartet. Zuerst hatte ich versucht, mit einem Sili­zium-Tran­sistor einen chao­tisch arbei­tenden Meißner-Oszil­lator aufzu­bauen. Dabei kamen absolut funktions­tüchtige Oszil­latoren heraus. Das hatte ich nicht anders erwar­tet. Solche für sinus­förmige, harmo­nische Schwing­ungen, andere arbei­teten hervor­ragend als Sperr­schwinger und erzeug­ten am Oszil­loskop scharfe Impuls­spitzen. Doch eine Perioden­verdopp­lung? Ein chao­tischer Übergang? Fehl­anzeige. Ich biss auf Granit, besser gesagt, auf Sili­zium, das noch viel härter ist.

Genau das aber war die entschei­dende Erkennt­nis: Die Emitter-Basis-Diode eines Sili­zium-Transis­tors hat wie die Gitter-Basis-Kenn­line einer Röhre einen nicht­linearen Bereich. Das ist für das chao­tische Verhal­ten, wie wir wissen, essen­tiell. Doch ist dieser Bereich bei Sili­zium-Elemen­ten sehr viel schmaler als bei Röhren. Das Problem liegt nicht bei den Transis­toren an sich, sondern darin, dass ich die Betriebs­beding­ungen mit meinen ein­fachen Mitteln nicht genau genug einstel­len kann.

Die Lösung des Problems waren Transis­toren mit Germa­nium als Halb­leiter, wie sie ab 1960 herge­stellt wurden. Die Basis-Emitter-Kenn­linie hat zwar auch hier schon einen deut­lich kanti­geren Knick als bei Röhren, doch sehen die Strom-Span­nungs-Kenn­linien noch immer deut­lich runder aus als bei Sili­zium. Viel­leicht liegt es auch einfach an den hohen Exemplar­streu­ungen inner­halb der frühen Tran­sistor-Typen­reihen, wofür Germa­nium-Halb­leiter ja berüch­tigt waren.

Ge-Transistoren Ge-Transistoren Transistor und Trafo

Von links nach rechts: Germa­nium-Transis­toren der 1960- und 70er Jahren von den damals führen­den Marken der Elek­tronik­indus­trie: 2SB54 und 56 sind NF-Typen von Toshiba aus der ersten Gene­ration von Transis­toren, die am Ende der Röhren­ära reich­lich in den sprich­wört­lichen Billig­radios und -kaset­tenrekor­dern aus Japan verwendet wurden. 2SB172, 173 und 175 stammen aus den Werken von Matu­shita und dientem dem gleichen Zweck. Mitte: Komple­mentäre Ge-Tran­sistoren AC187 und 188 von Siemens für die trans­forma­torlose Verstär­kerend­stufe. Daneben einTF 78/30 von Tele­funken. Rechts: Ein OX7004 der Nürn­berger Firma MIRA Elek­tronik, die ihre Radios mit Transis­toren einer eigenen Serie ausstat­tete. Herge­stellt wurden diese Transis­toren bei TeKaDe, damals eben­falls in Nürn­berg ansässig. Mehr dazu können Sie hier lesen . Im selben Bild daneben ein Minia­tur-Ausgangs­über­trager aus damaliger japa­nischer Produk­tion mit kaum mehr als 1 cm Kanten­länge.

Hier die Schaltung und der Aufbau auf dem Steckbrett.

Schaltplan Steckbrett

Der Oszillator arbeitet nach dem Meißner-Prin­zip und besitzt auf den ersten Blick keine Beson­derheit. Jedoch habe ich als Trans­formator einen solchen mit hohem Überset­zungs­verhält­nis gewählt. Die Span­nung aus dem Kollektor­kreis wird im Verhält­nis 20:1 für den Basis­kreis herab­gesetzt. Entspre­chend höher ist auch der Strom, der für die Emitter-Basis-Diode zur Verfü­gung steht. Beim Röhren­oszil­lator war dieser Aspekt neben­sächlich. Beim Bipolar­transis­tor ist der Eingangs­wider­stand viel kleiner, und damit ist der Strom wichtig.

Zur Auswahl eines geeigneten Transis­tors kann ich nur wenig sagen. Ich selbst erziel­te mit einem 2SB56 von Toshiba und mit einem OX 7004 von Mira die besten Resul­tate, aber die sind aus dem ganz zufäl­ligen Inhalt meiner Bastel­kiste. Äquiva­lente Typen wie AC122 oder 126 sind gewiss aussichts­reiche Kandi­daten. Aber es funk­tionier­te nicht mit allen Ge-Tran­sistoren, auch nicht mit einem uralten OC75 von Tele­funken, der noch im schwarz­lackier­ten röhren­ähnlichen Glas­kolben daherkam. Er verhielt sich in diesem Punkt als hätte er das Sili­zium höchst­persön­lich erfunden.

Die Frequenz des Oszil­lators hängt natür­lich in erster Linie von der Induk­tivität der Trafo­wicklung ab und lag bei 15 kHz. Die verschie­denen Schwingung­sarten und Perioden­verdopp­lungen werden durch Verän­derung der Betriebs­spannung einge­stellt. Das muss man auspro­bieren, wobei ein sehr fein einstell­barer Span­nungs­regler unbe­dingt zu empfeh­len ist. Bei mir ereig­nete sich der Über­gang zum chao­tischen Verhal­ten im Bereich zwischen −5,40 und −5,57 V. Es lohnt also, die Betriebs­span­nung im betref­fenden Bereich mit einem Digital­multi­meter auf 10 mV genau zu bestimmen, um alles genau und repro­duzier­bar nachver­folgen zu können.

Dafür konnte ich in den Versu­chen mit dem 2SB56 gleich zwei aufei­nander­folgenden Bifur­kationen beo­bachten und sauber unter­suchen. Bei Röhren, siehe oben, ging das mit einer Sequenz von drei Bifur­kationen.

Bifurkationsdiagramm

Dieses Diagramm habe ich erzeugt, indem ich mir den Attrak­tor der Oszil­lator­schwing­ungen am Oszi im X-Y-Modus angesehen habe. Diesen habe ich in der Bild­mitte zen­triert und dann die Spannungs­werte an den Schnitt­punkten mit der posi­tiven Y-Achse des Koor­dinaten­kreuzes auf dem Bild­schirm notiert. Dann habe ich die Betriebs­spannung von −5.35 Volt (da waren der Attrak­tor ein einfacher Ring) in 10-mV-Schritten bis knapp −5.6 V (da war es chao­tisch) erhöht und die Werte immer wieder notiert (Kreis­symbole). Je nach Anzahl der Bifurka­tionen gibt es dann 2 oder 4 Schnitt­punkte. Dann habe ich das gleiche in umge­kehrte Richtung wieder­holt, bis die Schwing­ungen wieder regulär waren (Dreiecks­symbole). Man sieht übrigens, das die beiden Mess­reihen nicht genau aufei­nander liegen. Es gibt hier also eine gewisse Hyste­rese der Schwing­ungs­bereiche.

Vervierfachte Periode Kollektor­spannung und Span­nung am Konden­sator im Basis­kreis nach zwei Bifur­kationen.

XY-Plot

Im X-Y-Modus des Oszil­loskops ergibt sich diese Figur. Es schaut schon anders aus als beim Röhren­oszil­lator, aber er Verviel­fachung der Zyklen ist auch hier unver­kennbar.

Chaotische Schwingungen

Im X-Y-Modus erzeugt der chao­tische Zustand sogar ästhe­tische Formen.

Zurück zum Anfang

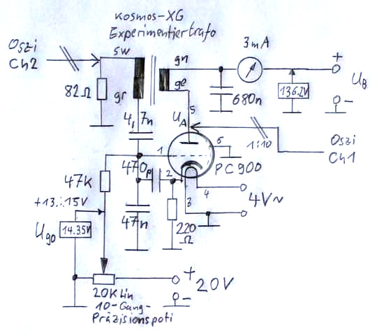
9.4.2021: PC 900 - wie eine steile VHF-Triode Chaos macht

Aufbau und Schaltung des Oszillators

Aufbau mit PC900

Eine ultrasteile Triode PC900 aus einem TV-Tuner produ­ziert beson­ders gut repro­duzier­bare Perioden­verdopp­lungen und chao­tische Schwing­ungen. Mit PC86 und 88 funktio­niert es ebenfalls.

Schaltplan

Die Schaltung unter­scheidet sich prak­tisch nicht von derje­nigen ganz oben. Der Arbeits­punkt wird mittels eines Präzisions­potis auf 10 mV genau über die posi­tive Gitter­vorspan­nung Ug0 einge­stellt. Die Betriebs­spanung von hier 136.2 V wurde mittels Digital­multi­meter auf das zehntel Volt genau konstant gehalten. Um Klystron-Oszil­lationen mit Fre­quenzen im UKW-Be­reich zu unter­drücken, die bei solchen sehr steilen Trioden gern ent­stehen, musste ich über ganz kurze Anschluss­drähte einen HF-taug­lichen 470-pF-Konden­sator direkt zwi­schen Gitter und Ka­thode schalten.

Attraktor

Der Attraktor nach der ersten Perio­denver­dopplung zeigt den Strom im Gitter­kreis als Funk­tion der Anoden­spannung UA.

Die Abfolge der Periodenverdopplungen

Mit dieser Schaltung konnte ich eine Folge von vier Perio­denver­dopp­lungen herbei­führen. Rekord! Der chao­tische Über­gang lag als Funk­tion der Gitter­vorspan­nung Ug0 bei Ukr = 13.48 V. Die Verdopp­lungen traten bei Span­nungen auf, die um 1.01, 0.46, 0.20 und 0.06 V darüber lagen.

Bifurkationsdiagramm

Dieses Diagramm zeigt die Ampli­tude der Schwing­ungs­kompo­neten mit halb,- viertel-, achtel- und sech­zehntel­zahligen Viel­fachen der Grund­frequenz fg = 572 Hz als Funk­tion der posi­tiven Gitter­vorspan­nung (abzüg­lich Ukr) auf der loga­rith­mische Skala dar. Die roten Mess­punkt zeigen die Ampli­tude der Grund­schwingung, die bei etwa 17 dB (mit 0 dB = 1 V) liegt. Grün ist die Ampli­tude der Schwing­ung mit der Fre­quenz 3/2 fg, die bei 1.01 V über der Mess­schwelle von -30 dB tritt. Die dunkel­blauen Quad­rate, violet­ten Kreise und türkis­blauen Scheiben entspre­chen den Frequenz­anteilen von 5/4, 11/8 bzw. 23/16 der Grund­frequenz. Sie besitzen unter den neu hinzu­kommenden Fre­quenzen die jeweils höchsten Ampli­tuden und befanden sich im Spek­trum immer direkt unter­halb der Frequenz­kompo­nente 3/2 fg aus der ersten Perio­denver­dopplung. Das ist etwas anders als in der Pen­toden­schaltung, wo eher die Frequenz­kompo­nenten unter­halb der Grund­frequenz domi­nant sind.
Man sieht sehr schön, dass die Perio­denver­dopp­lungen auf der loga­rith­mischen Achse nahezu gleich­abständig sind. Die Verhält­nisse der Spannungs­diffe­renzen aufei­nanderfol­gender Perio­denver­dopplungen stehen also in nahezu konstan­tem Ver­hältnis. Die Schätzung für die Feigen­baum-Kon­stante, die sich aus diesem Versuch ergibt, ist also unge­fähr 2.33, deut­lich nied­riger als der Theorie­wert von 4.67.

FFT-Spektrum

Hier ein Schnapp­schuss vom Oszil­loskop, der das Spek­trum im FFT-Modus zeigt. Mitten­frequenz ist 572 Hz, die Teilung der Frequenz­achse ist 100 Hz/cm. Die verti­kale Achse hat eine Teilung von 10 dB/cm. Ein paar tech­nische Details: ich habe die Flat­top-Fenster­funktion des FFT-Moduls verwendet. Zur bes­seren Stabi­lität des Oszil­logramms habe ich "Aquire" auf 16-fach-Samp­ling einge­stellt.

Zurück zum Anfang Hans Martin Sauer 2016-2021